0577-61602937

产品中心

Products

【纵向撕裂开关】
纵向撕裂开关

= 返回列表

QDSL 纵向撕裂开关

概述

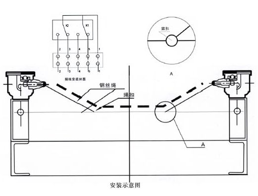
在皮带出现由于撕裂、戳破、交界处损坏或锐利物凸出皮带时,撕裂开关能给监视人员提供报警信号或关掉输送机。撕裂开关成对安装在两侧,由两段乙烯外套的航空钢丝绳连接起来。绳的一端永久固定在支撑托架上,另一端连接在撕裂开关的拉环上。两段线绳在皮带下面形成一个闭合的回路,当物体或撕裂的皮带悬吊下来,扫落一条或两条线绳时即探测出故障。因为线绳受力作用下,它把拉环轴向外拉出即使自销手柄往下按使机内的凸轮轴复位待开机。


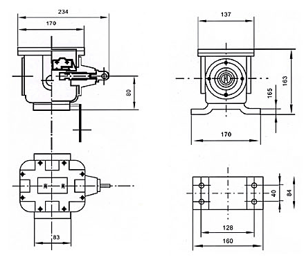
外形尺寸

image.png


参数

image.png


安装示意图

image.png

联系客服