产品中心
Products
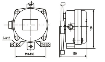
【双向拉绳开关】
双向拉绳开关HFKLT2-T系列
产品介绍
双向拉绳开关主要应用在冶金、电力、煤岩、矿山及化工等行业的输送系统中,是输送机自动化控制不可缺少的传感元件,本产品是一种胶带运输机现场紧急事故停机的保护装置。
本产品选用优质铝锭合金精密压铸。具有强度高,重量轻,密封性好,产品使用寿命长等优点。
本产品符合GB14048.5-2008标准所规定的要求。
工作原理
型号含义

5、使用寿命:开关动作10万次
