产品中心
Products
【打滑检测器】
粉尘防爆打滑检测开关
粉尘防爆打滑检测开关
概述
本机用于带式输送机运行中胶带与主动滚筒出现打滑(失速)故障,可防止由于打滑所造成的严重事故的发生。本机还可用于多条带式输送机的连锁启动和停机,低速抱闸或超速保护等,使现场操作简单化并提高了安全性。在钢铁、电力、煤矿及港口等有带式输送机的行业得到广泛的应用。符合粉尘防爆Ex tb ⅢC T80℃ Db标准。
工作原理
本套检测器允许在AC220V±10%,50Hz的工作电压范围内使用,测速范围在20~999r/min输出状态。带速可根据用户提供而定,请用户在订购时给予注明,带宽与检测器无关。
安装及使用
安装后应满足下述要求:
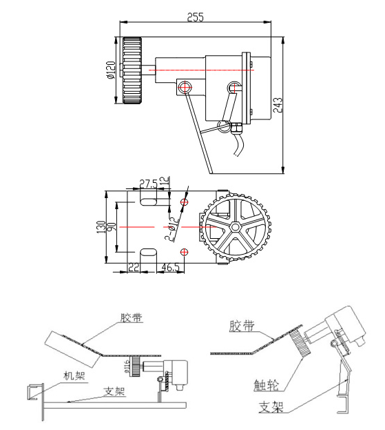
打滑检测器装置按胶带运行方向顺向放置,触轮距胶带边缘200-300mm。
本机由传感器、连接轴、触轮、支臂等构成。安装方便,使用安全。由于安装在回程胶带的上面,整机运行平稳,且避免了老式产品出故障时对胶带的损伤。
壳体采用铝合金铸造,表面采用静电喷塑涂覆工艺,漆膜均匀,附着力强。
整机防护等级高,可达IP65,适宜恶劣条件下工作。
技术参数
环境温度:-2℃~ +60℃;
相对湿度:不大于80%
带速: 0.5~5.0米/秒(可根据客户定制.可调)
输出方式:干接点输出AC 220V ?5A或DC 12-50V ?5A,因输出为固态继电器,也可定制继电器输出,选购时应注明用于直流或交流条件。
