产品中心
Products
【QGX高度限制器】
QGX起升高度限制器
产品介绍:
适用于各类起重机,用于限制起升高度的先进安全保护装置。本限制器采用蜗轮蜗杆带动,凸轮触发限位开关的工作原理,具有重量轻、体积小、安装调试方便、响应灵敏准确、平稳可靠、使用寿命长等优点,一般可对上升下降和设报警限位和保护限位两道保护,并能与老式电线杆结构高度限制器进行互换。本限制器标配4组触点,可定制6组、8组或12组触点。
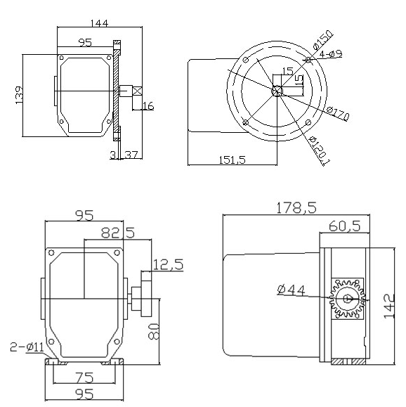
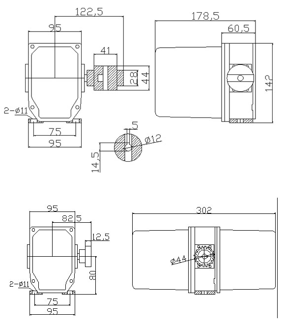
外型及安装尺寸:


十字连接
