产品中心
Products
【超速开关】
LY1-1系列超速开关
产品简介
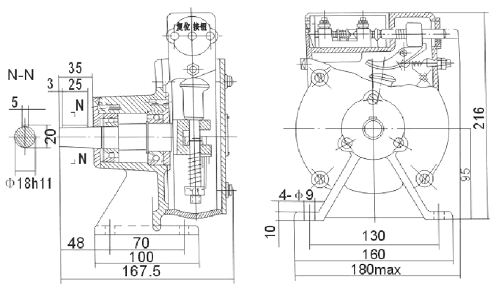
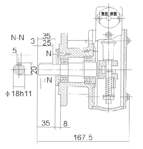
本公司生产的超速开关系列是吸取国外先进技术,结合国内用户需求而研制开发的新系列产品,机体材料采用紧密压铝合金加工工艺。该产品外形精巧、开关动作精度高、转速系列范围宽、正反转双向保护、外壳防护等级高、能承受较快的环境温度变化及安装方便等突出特点。该系列产品为自动复位和手动复位机构。
产品被广泛地使用在对转速有严格控制的各类旋转机械中,如冶扎传动,水力发电机组,内燃动力、旋转机械、YZR电机、YZP变频电机和升降卷扬系统等工业领域,并常与直流测速发电机、编码器、制动器组成速度信号的发生和控制装置,是一种理想可靠的保护元件。
产品符合GB14048.5-2008标准。
型号含义

技术参数

环境条件
1海拔不超过2000m
2周围空气温度-15℃~+40℃
3无显著摇动和冲击的地方
4安装类别Ⅲ类
5污染等级3级


