产品中心
Products
【双向拉绳开关】
KLT2(HFKLT2)系列拉绳开关
双向拉绳开关KLT2(HFLT2)系列
产品介绍:
双向拉绳开关主要应用在冶金、电力、煤岩、矿山及化工等行业的输送系统中,是输送机自动化控制不可缺少的传感元件,本产品是一种胶带运输机现场紧急事故停机的保护装置。
本产品选用优质铝锭合金精密压铸,并采用进口行程开关。具有强度高,重量轻,密封性好,产品使用寿命长等优点。
本产品符合GB14048.5-2008标准所规定的要求。
工作原理:
本机采用称劝式凸轮结构,当拉动拉绳开关的任意一侧或同时拉动两侧绳索时,均可驱动凸轮,使开关动作转换,发出停机,报警信号。
采用手动复位方式的双向拉绳开关,当故障排除后,操作者须手动操作复位杆,方能使本机恢复正常工作状态。
工作环境
1、工作温度:-40c~+60c
2、相对湿度不大于90%
3、大气压力:80~110Kpa
4、海拔高度不超过2000M
5、使用寿命:开关动作10万次
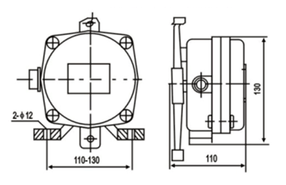
产品图纸
