产品中心
Products
【两级跑偏开关】
HFKPT1-D系列跑偏开关(ROS-2D)
HFKPT1-D系列跑偏开关(ROS-2D)
产品介绍:
两级跑偏开关主要应用在冶金、电力、煤岩、矿山及化工等行业的输送系统中,是输送机自动化控制不可缺少的传感元件,本产品可用于输送机胶带跑偏的检测,防止由于胶带跑偏而造成物料溢出等故障。本产品选用铝压铸处壳具有防水、防灰、防震等优点,安装方便、开关性能可靠,在输送机胶带中得到广泛应用。符合GB14048.5-2008标准所规定的要求。
用途:
两级跑偏保护功能,一级跑偏做报警信号可接入自动调整装置,用于校正胶带的偏离和扭曲。二级跑偏做停机信号,将其接至控制线路中,即可实现停机。
使用环境条件:
a.环境温度:-40℃~60℃
b.相对湿度不大于85%
c.海拨高度不超过2000m
d.使用寿命:开关动作10万次
e.绝缘电压:AC1000试验1分钟
f.触点容量:≤AC220 ≤10A
g.防护等级:IP55
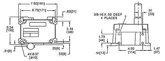
外形及安装尺寸:

