产品中心
Products
【打滑检测器】
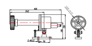
DH-I打滑检测开关
DH-I打滑检测器
打滑检测装置安装在上行胶带下方,触轮随胶带机运行而带动速度检测器内的脉冲盘,在脉冲盘旋转时传感器进行计数,其计数值与预置数比较,判断胶带的带速,即:正常速度状态和打滑状态。

打滑检测装置内部采用非接触式电感元件检测触轮旋转信号,进行逻辑运算得出当前输送机皮带运行速度,与预置值进行比较判断当前输送机运行状态是处于打滑状态还是正常状态。

打滑检测装置如果检测到当前输送机运行速度低于预置值时,K断开;
V检测装置如果检测到当前输送机运行速度大于预置值时,K闭合;
注意:图中的K并非是真正的干接点,而是电子式开关,但用途与干接点相同,当K断开后逻辑电路可继续正常工作。
打滑检测装置采用二线电子式开关原理,采用回路电流直接驱动(只要回路有微弱电流即可工作)无需额外电源供电。型打滑测速装置有AC220V及DC24V两种驱动电压工作模式,购买前需要确定回路电压值。

2、 与PLC连接方法(中继方式)

工地现场连接线路的线材或长度因素可能会导致产生感应电压,当感应电压高于PLC I/O电平阀值后会导致PLC无法进行正常信号识别,建议采用中继方式连接。
注意:打滑测速装置出厂时会根据现场使用的不同输送机正常速度进行预置值设置,务必根据铭牌标示的速度值对应安装到指定速度的输送机上。
打滑测速装置上电时具有15秒的开机延时功能(即上电时控制内部电子开关K闭合15秒),避免输送机在启动后提速阶段产生打滑报警。延时时间结束后,速度打滑检测器开始对当前输送机速度进行检测,当前速度低于预置值后控制内部电子开关K断开。